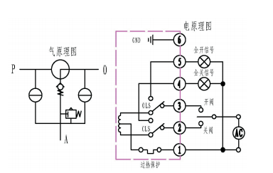
自动补气装置是由一个两位三通电动球阀,两个手动球阀、单向阀及安全阀等集合而成,能通过自动或手动控制回路实现自动或手动补气或关闭,用于维持水轮发电机组油压装置或其他储能器系统内正常工作所需的气液比例。
自动补气装置上的安全阀是特制的,其开启或关闭压差小于3kg/c㎡,动作灵敏。当储能器压力超高时,安全阀自动开启,向外排气,并发出声响警示,当储能器压力降低至额定压力时,安全阀关闭,停止向外排气。
-
采用球阀板式结构,实现零压差工作
-
气流量大,补气时间段
-
集成化程度高,体积小
-
密封性能好
-
具备手动补、排气功能
-
装置中配有安全阀,可实现自保护
-
驱动部分采用进口部件,动作准确、可靠
-
整套装置采用不锈钢材料,耐腐蚀性能优异
额定气压:6.4Mpa
工作介质:空气
公称通径:φ10mm
相对湿度:≤95%R.H
工作电压:220VAC
安装职位:任意方向
连接方式:焊接式接头,采用JB6381.1-92标准卡套式接头
重量:7kg