90度红外石材自动切割PAC控制系统的设计应用
应用背景
石材在建筑,室内外装潢等领域的广泛使用已经有了很长的历史,随着人们生活水平的提高,对石材的质量,材质,尺寸,形状等都有了更高的要求,在石材切割控制领域,核心单元广泛采用可编程逻辑控制器(PLC)。
常规PLC由于本身硬件及操作系统决定了其CPU处理程序及总线时序任务时实时性低,高速测频通道一般也只能达到K级晶振频率,采样精度低造成切割精度先天不足。
设计原则
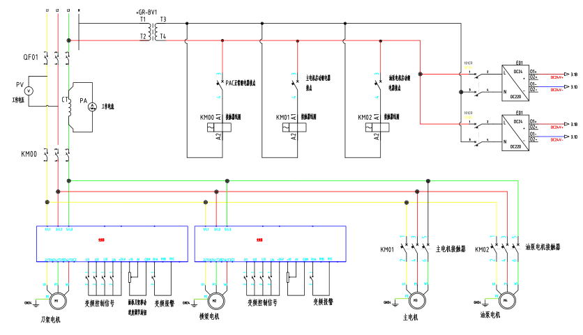
应用基于新型PAC集成控制器,包括主CPU模块、电源模块、I/O模块等。
PAC系统支持多资源任务处理方式。
高速通道达到兆级晶振频。
支持I/O及通讯双控制方式,HMI多种切割参数设置,软件控制逻辑人性化,减少工人劳动强度,提高石材切割加工效率。
PAC弱电控制箱与动力柜执行部分独立,有效避免干扰。
系统设计
石材切割系统
系统架构

功能设计
1、 支持手动和自动切割功能
2、 具有切割消差功能,有效消除机械死区带来的切割尺寸误差或切片大小头
3、 最多8组切割类型,切割速度可调
4、 事故紧急停机功能
5、 安全切割条件互锁功能
6、 I/O和通讯双控制方式
7、 故障提醒查询功能
主电路设计